All dimensions in MM
CHAIN
RULES OF THUMB :
ESTIMATED SWL OF
CHAIN : (DIAMETER
IN MM - SQUARED) x GRADE x 0.4
(EXAMPLE : WLL of
grade 80 high tensile chain 10 mm = 10 x 10 x 80 x 0.4=
3,200 kg WLL.)
MAXIMUM PERMISSIBLE WEAR
INCLUDING PITTING WEAR : 10% REDUCTION IN DIAMETER OF CROSS SECTION AT ANY POINT
WEAR POINTS IN A CHAIN
:
Links will wear at the
link ends from metal wear down.
Links will wear on the
outer sides of the link from being dragged
SMALLEST CHAIN DIAMETER
FOR LIFTING:
GRADE 30 (BASIC GRADE)
: 8.0 MM
HT GRADE 80 CHAIN
: 5.5 MM
MAXIMUM WORKING
TEMPERATURE
GRADE 30 (BASIC GRADE)
: 260 DEGREES CENT
HT GRADE 80 CHAIN
: 400 DEGREES
CENT
IF TEMPERATURE EXCEEDS
260 DEGREES CENT- WLL OF CHAIN GETS DRASTICALLY REDUCED.
MARKINGS INDICATE- IF
THE CHAIN IS FOR LIFTING AND ALSO THE GRADE- MOST CHAINS ARE MARKED AT EVERY 20
TH LINK OR A DISTANCE OF 1 METER.
IF CHAIN HAS NO WLL TAG :
*DISCARD THE SAME FROM
SERVICE TILL CHECKED PROPERLY --IF IT HAS NO TAG AND GRADE MARKING
*CHECK GRADE MARKINGS AND
USE ACCORDINGLY TILL NEW TAG IS MARKED
*IF UNSURE ABOUT MARKINGS
, TREAT IT AS GRADE 30 CHAIN FOR USE- PROVIDED CONDITION IS GOOD UNTIL
PROPERLY CHECKED .
DEFECTS IN CHAIN MAKING
IT UNFIT FOR USE:
1.Twisted, kinked,
knotted.
2.Stretched, locked or
does not move freely.
3.Gouged, cut or crushed
more than 10% of the link's original diameter.
4.Pitting more than 10%
wear in the diameter of the link.
5.Exposed to excessive
heat.
CHAIL LINK , RINGS , BOW PIECES FOR SWIVELS
Swivels are to be fitted with plain bearings or with ball or roller thrust bearings
|
Minimum tensile
strength
of material, |
|
Value of c
|
|
|
in N/mm2
|
Links
|
|
Rings
|
|
|
|
|
|
|
430
|
0,0053
|
|
0,0116
|
|
540
|
0,0071
|
|
0,0155
|
Swivels are to be fitted with plain bearings or with ball or roller thrust bearings
Dimensions of bow pieces for swivels(in MM)
|
Safe working
load,
in tonnes
|
a b d1 d2
|
e
|
|
1,0
|
37 64 13 20
|
20
|
|
1,6
|
46 80 16 25
|
25
|
|
2,0
|
53 92 18 25
|
29
|
|
2,5
|
60 104 21 30
|
32
|
|
3,2
|
67 116 23 30
|
36
|
|
4,0
|
74 128 26 35
|
40
|
|
5,0
|
83 144 29 40
|
45
|
|
6,3
|
92 160 32 40
|
50
|
|
8,0
|
104 180 36 45
|
56
|
|
10,0
|
117 204 41 55
|
64
|
|
12,5
|
131 228 46 60
|
71
|
HOOKS
The safe working load of a hook is the maximum load that the hook is certified to lift in service.
-Hooks may be of the ‘C’ or Liverpool type or of the double armed Ramshorn type, as indicated
- ‘C’ type hooks are not to be used for safe working loads exceeding 25 t.
-Hooks may be of killed mild steel or higher tensile steel. After forging, mild steel hooks are to be normalised and higher tensile steel hooks subjected to a suitable heat treatment.
‘C’ type hooks are to be so designed as to reduce as far as possible the risk of the hook catching on an obstruction when hoisting and also the risk of the displacement of the load.
**Where the hook is not manufactured in accordance with a recognised standard, the safe working load may be taken as:
SWL = ck (H – 0,1D)2 tonnes
where the dimensions are measured in millimetres
The values of c and k are to be obtained
Values of c for hooks(INTERMEDIATE VALUES OBTAINED BY INTERPOLATION)
in N/mm2 'C' hooks Ramshorn hooks
540 0,0015 0,0021
Values of k for hooks
|
M
|
|
|
|
|
q
|
|
|
|
|
H
|
40°
|
30°
|
25°
|
20°
|
15°
|
10°
|
5°
|
0°
|
|
0,55
|
0,48
|
0,75
|
0,85
|
0,92
|
0,98
|
1,03
|
1,06
|
1,10
|
|
0,65
|
0,82
|
1,01
|
1,08
|
1,12
|
1,16
|
1,20
|
1,23
|
1,27
|
|
0,75
|
1,07
|
1,18
|
1,22
|
1,27
|
1,30
|
1,34
|
1,37
|
1,40
|
|
0,85
|
1,16
|
1,30
|
1,33
|
1,36
|
1,40
|
|
|
|
|
Safe working
load,
in tonnes
|
a
|
b
|
c
|
D
|
H
|
M
|
G
|
|
1,0
|
124
|
78
|
6
|
31
|
26
|
17
|
17
|
|
1,6
|
156
|
98
|
8
|
39
|
33
|
21
|
20
|
|
2,0
|
176
|
110
|
8
|
44
|
37
|
24
|
25
|
|
2,5
|
196
|
123
|
10
|
49
|
41
|
27
|
25
|
|
3,2
|
219
|
138
|
12
|
55
|
46
|
30
|
30
|
|
4,0
|
247
|
156
|
12
|
62
|
52
|
34
|
30
|
|
5,0
|
279
|
176
|
14
|
70
|
59
|
38
|
35
|
|
6,3
|
311
|
196
|
16
|
78
|
66
|
43
|
40
|
|
8,0
|
351
|
221
|
18
|
88
|
74
|
48
|
45
|
|
10,0
|
391
|
246
|
20
|
98
|
82
|
54
|
50
|
|
12,5
|
439
|
276
|
22
|
110
|
92
|
60
|
55
|
|
16,0
|
495
|
311
|
24
|
124
|
104
|
68
|
60
|
|
20,0
|
555
|
349
|
28
|
139
|
117
|
76
|
70
|
|
25,0
|
622
|
392
|
32
|
156
|
131
|
86
|
80
|
|
NOTES
|
|
|
|
|
|
|
|
|
1.
All dimensions are given
in millimetres and are illustrated
|
|
|
|
|
|||
|
2. Minimum material tensile strength 540 N/mm2.
|
|
|
|
|
|||
Dimensions
of higher tensile steel Ramshorn hooks
|
Safe working
load,
in tonnes
|
a
|
b
|
c
|
D
|
H
|
M
|
G
|
|
20
|
238
|
457
|
30
|
121
|
113
|
76
|
89
|
|
25
|
267
|
511
|
33
|
133
|
126
|
86
|
102
|
|
32
|
299
|
567
|
37
|
146
|
143
|
97
|
114
|
|
40
|
329
|
616
|
41
|
162
|
155
|
108
|
127
|
|
50
|
365
|
683
|
46
|
178
|
174
|
117
|
140
|
|
63
|
408
|
745
|
51
|
194
|
195
|
132
|
144
|
|
80
|
452
|
813
|
57
|
213
|
216
|
146
|
152
|
|
100
|
498
|
883
|
64
|
229
|
241
|
162
|
165
|
|
NOTES
|
|
|
|
|
|
|
|
|
1.
All dimensions are given
in millimetres and are illustrated
|
|
|
|
|
|||
|
2. Minimum material tensile strength 540 N/mm2.
|
|
|
|
|
|||
Shackles should be inspected for:
(a) Mechanical damage to pin or body;
(b) Correct tensile pin fitted;
(c) Correct pin length; and
(d) Wear.
Mild steel shackles are to be normalised after forging and before tapping and screwing. Higher tensile and alloy steel shackles are to be subjected to a suitable heat treatment.
Safety factor: 6 times SWL = minimum breaking strength
Dimensions of Dee shackles
Safe working
load,
in tonnes
|
a
|
b
|
d1
|
Mild steel
d2
|
d1
|
Higher tensile steel
d2
|
1,0
|
20
|
44
|
13
|
15
|
11
|
12
|
1,6
|
25
|
55
|
17
|
19
|
13
|
15
|
2,0
|
28
|
62
|
19
|
21
|
15
|
17
|
2,5
|
31
|
69
|
21
|
24
|
17
|
19
|
3,2
|
35
|
78
|
24
|
27
|
19
|
21
|
4,0
|
40
|
87
|
26
|
30
|
21
|
23
|
5,0
|
44
|
97
|
29
|
33
|
23
|
26
|
6,3
|
50
|
109
|
33
|
37
|
26
|
29
|
8,0
|
56
|
123
|
37
|
42
|
29
|
33
|
10,0
|
63
|
138
|
41
|
47
|
33
|
37
|
12,5
|
70
|
154
|
46
|
53
|
36
|
42
|
16,0
|
79
|
174
|
52
|
60
|
41
|
47
|
20,0
|
89
|
195
|
59
|
67
|
46
|
52
|
25,0
|
99
|
218
|
65
|
75
|
51
|
59
|
32,0
|
112
|
247
|
74
|
84
|
58
|
66
|
40,0
|
125
|
275
|
83
|
94
|
65
|
74
|
50,0
|
140
|
308
|
92
|
106
|
72
|
83
|
63,0
|
157
|
346
|
104
|
119
|
81
|
93
|
80,0
|
177
|
390
|
117
|
134
|
91
|
105
|
Dimensions of Bow shackles
Safe working
load,
in tonnes
|
a
|
b
|
2r
|
d1
|
Mild steel
d2
|
Higher tensile steel
d1 d2
|
|
1,0
|
20
|
50
|
34
|
14
|
16
|
12
|
13
|
1,6
|
25
|
63
|
43
|
18
|
20
|
15
|
16
|
2,0
|
28
|
70
|
48
|
20
|
22
|
17
|
18
|
2,5
|
31
|
78
|
53
|
23
|
25
|
18
|
20
|
3,2
|
35
|
89
|
60
|
25
|
28
|
21
|
22
|
4,0
|
40
|
99
|
67
|
28
|
31
|
23
|
25
|
5,0
|
44
|
111
|
75
|
32
|
35
|
26
|
28
|
6,3
|
50
|
124
|
84
|
36
|
39
|
29
|
32
|
8,0
|
56
|
140
|
95
|
40
|
44
|
33
|
36
|
10,0
|
63
|
157
|
106
|
45
|
49
|
36
|
40
|
12,5
|
70
|
175
|
119
|
50
|
55
|
41
|
44
|
16,0
|
79
|
198
|
135
|
56
|
62
|
46
|
50
|
20,0
|
89
|
221
|
150
|
63
|
69
|
51
|
56
|
25,0
|
99
|
248
|
168
|
70
|
77
|
57
|
63
|
32,0
|
112
|
280
|
190
|
80
|
87
|
65
|
71
|
40,0
|
125
|
313
|
213
|
89
|
98
|
72
|
79
|
50,0
|
140
|
350
|
248
|
99
|
109
|
81
|
89
|
63,0
|
157
|
394
|
267
|
112
|
123
|
91
|
100
|
80,0
|
177
|
444
|
301
|
126
|
138
|
102
|
112
|
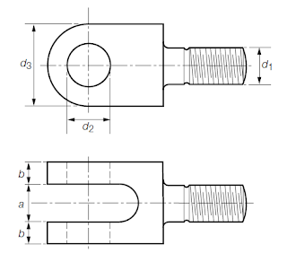
LUGS
Dimensions of lug fittings
Safe working
load,
in tonnes
|
Shank
d1 |
a
|
b
|
d2
|
d3
|
1,0
|
M18
|
19
|
8
|
17
|
35
|
1,6
|
M22
|
23
|
11
|
21
|
45
|
2,0
|
M24
|
26
|
12
|
23
|
50
|
2,5
|
M27
|
29
|
13
|
25
|
55
|
3,2
|
M30
|
32
|
14
|
28
|
60
|
4,0
|
M33
|
35
|
15
|
31
|
65
|
5,0
|
M36
|
39
|
18
|
37
|
75
|
6,3
|
M42
|
45
|
20
|
40
|
85
|
8,0
|
M45
|
49
|
23
|
46
|
95
|
10,0
|
M52
|
58
|
26
|
50
|
110
|
12,5
|
M56
|
64
|
28
|
54
|
120
|
16,0
|
M64
|
70
|
30
|
62
|
130
|
20,0
|
M72 x 6
|
74
|
33
|
70
|
140
|
25,0
|
M76 x 6
|
80
|
35
|
74
|
150
|
32,0
|
M80 x 6
|
90
|
40
|
82
|
170
|
RIGGING SCREWS AND TURNBUCKLES
Rigging screws and turnbuckles should be inspected for:
(a) Thread damage and thread engaged to full length of threaded body;
(b) Deformation; and
(c) Corrosion.
Thread Diameter
(A)
|
Safe Working Load
(SWL) |
Thread Diameter
(A)
|
Safe Working Load
(SWL) |
mm
|
tonnes
|
mm
|
tonnes
|
8
|
0.2
|
39
|
6.0
|
10
|
0.3
|
42
|
7.5
|
12
|
0.5
|
48
|
10.0
|
16
|
0.75
|
56
|
15.0
|
20
|
1.25
|
64
|
20.0
|
22
|
2.0
|
72
|
25.0
|
27
|
3.0
|
76
|
30.0
|
30
|
4.0
|
85
|
40.0
|
33
|
5.0
|
100
|
50.0
|
BULL DOG GRIPS
Size Nominal Diameter
mm
|
Required Number of Wire Rope Grips to
Attain 85% of Rope Minimum Breaking Load
|
Required Tightening Torque to Obtain Required Efficiency
Newton metres
|
5.0
|
3.0
|
2.0
|
6.5
|
3.0
|
3.5
|
8.0
|
4.0
|
6.0
|
10.0
|
4.0
|
9.0
|
13.0
|
4.0
|
33.0
|
16.0
|
4.0
|
49.0
|
19.0
|
4.0
|
68.0
|
22.0
|
5.0
|
107.0
|
26.0
|
5.0
|
147.0
|
30.0
|
6.0
|
212.0
|
34.0
|
6.0
|
296.0
|
40.0
|
6.0
|
363.0
|
Safe working
load,
in tonnes
|
Shank
d1 |
Round
d2
|
d3
|
b
|
g
|
Oval
d4
|
e
|
1,0
|
M18
|
11
|
24
|
48
|
21
|
12
|
14
|
1,6
|
M22
|
14
|
30
|
58
|
26
|
16
|
18
|
2,0
|
M24
|
16
|
34
|
58
|
26
|
16
|
18
|
2,5
|
M27
|
18
|
39
|
72
|
32
|
21
|
23
|
3,2
|
M30
|
20
|
44
|
72
|
32
|
21
|
23
|
4,0
|
M33
|
22
|
48
|
94
|
40
|
26
|
28
|
5,0
|
M36
|
25
|
54
|
94
|
40
|
26
|
28
|
6,3
|
M42
|
27
|
60
|
108
|
45
|
29
|
32
|
8,0
|
M45
|
31
|
68
|
115
|
49
|
32
|
35
|
10,0
|
M52
|
35
|
76
|
125
|
54
|
36
|
39
|
12,5
|
M56
|
39
|
86
|
144
|
60
|
41
|
44
|
16,0
|
M64
|
163
|
66
|
46
|
49
|
||
20,0
|
M72 x 6
|
173
|
72
|
56
|
54
|
||
25,0
|
M76 x 6
|
192
|
80
|
56
|
59
|
||
32,0
|
M80 x 6
|
216
|
90
|
60
|
64
|
||
40,0
|
M90 x 6
|
240
|
100
|
66
|
70
|
||
50,0
|
M100 x 6
|
264
|
110
|
74
|
78
|
||
63,0
|
M110 x 6
|
290
|
120
|
84
|
89
|
||
80,0
|
M120 x 6
|
325
|
135
|
94
|
99
|
||
100,0
|
M130 x 6
|
360
|
150
|
105
|
111
|











First, I would thanks for this sharing this information. I have searched lot of websites, unfortunately i never find any blogs.
ReplyDeleteFinally, I found your blog. Here is the complete information what am looking for. Especially the information of shackles are very well explained.
Great Job.
Hello There. I found your blog using msn. This is a very well written article. I’ll make sure to bookmark it and return to read more of your useful information. Thanks for the post. I’ll certainly return.
ReplyDeleteliquid corrosion inhibitor
Thanks a lot for sharing this great post with us. I always find great knowledge from your site. Keep it up. We are thebest Lubricants Suppliers
ReplyDelete